SẢN PHẨM
PHỤ KIỆN GANG NỐI ỐNG HDPE KHÔNG CẦN HÀN (SIZE 40÷1200)
VAN GANG
PHỤ KIỆN CHO ỐNG uPVC, ỐNG GANG, ỐNG THÉP
VAN ĐỒNG - ĐAI KHỞI THỦY GANG CẦU( BỘ ỐNG NGÁNH) - BỘ ĐỒNG HỒ NẮP GANG
SẢN PHẨM KHÁC
Dowload Catalogues
Chứng nhận ISO, Quatest3
KHÁCH HÀNG TIÊU BIỂU
WEBLINKS
THỐNG KẾ TRUY CẬP
Giới thiệu

HA ĐẠT là một trong những nhà sản xuất Van và Phụ Kiện phục vụ trong ngành cấp nước và những ngành công nghiệp khác nhau. Sản phẩm của chúng tôi đa dạng gồm nhiều chủng loại Phụ kiện, Van, đặc biệt là Phụ kiện gang cầu nối ống HDPE không cần hàn. Mang Thương Hiệu HE ®.

Thập FFBB
  • Chi tiết sản phẩm
  • Thông số kỹ thuật

 

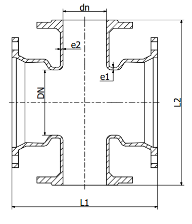
Bảng kích thước

DN

dn

e1

L1

e2

L2

100

100

7.2

320

7.2

320

150

100

7.8

335

7.2

380

150

150

7.8

385

7.8

380

200

100

8.4

350

7.2

420

200

150

8.4

405

7.8

420

200

200

8.4

497

8.4

480

350

200

9

498

8.4

676

VIDEO
LIÊN HỆ

CÔNG TY TNHH HA ĐẠT

Địa chỉ: 160/25/27 Huỳnh Thị Hai, KP 4, P. Tân Chánh Hiệp,Q.12, Tp. HCM
Tel: (84-8) 3845 3871
Fax: (84-8) 3845 3891
Email: hadat.he2005@gmail.com
Website: www.hadat.vn

Developed by

CÔNG TY TNHH HA ĐẠT 

Địa chỉ: 160/25/27 Huỳnh Thị Hai,

KP 4, P. Tân Chánh Hiệp,Q.12, Tp. HCM
Tel: (84-8) 3845 3871
Fax: (84-8) 3845 3891
Email: hadat.he2005@gmail.com

 

Copyright © 2012 Hadat. All rights reserved